博世力士樂滾珠導套和軸的品質經過數十年的驗證,適用于通用機械、專用機械、夾具和眾多特殊的應用場合。 博世力士樂提供多種標準款式產品。eLINE系列滾珠導套和直線導套組件采用無間隙結構。 它們已經預加潤滑脂,因此在整個壽命周期內均保證潤滑效果。產品規格范圍適用于軸徑8mm至40mm的軸。博世力士樂產品包括采用熱處理鋼、不銹鋼或鍍硬鉻處理的各種不同公差等級的軸。因此,應用范圍廣泛,包括腐蝕性環境。

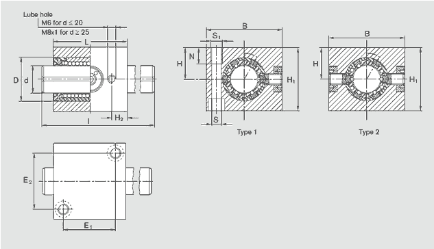
| ød | 50 | |
| B | 130 | |
| H1 | 105 | |
| H(+0.013,-0.022) | 50 | |
| H2 | 22.5 | |
| L | 114 | |
| D | 75 | |
| E1 | 84 | |
| E2 | 100 | |
| S | 13.5 | |
| S1 | M16 | |
| N | 20 | |
| 標準長(mm) | 600 | |
| 額定扭矩Mt(Nm) | 103 | |
| 額定載荷(N) C | 9250 | |
| 額定載荷(N) C0 | 4350 | |
| 重量:直線導套(KG) | 2.1 | |
| 重量:軸(KG/m) | 9.80 |

機床、木工機械、激光切割等