博世力士樂生產先進的工業液壓元件與系統,配合了微電子技術,令傳動有力而精確。其電子傳動與控制產品及系統永遠走在科技前端,為不同應用提供最佳的解決方案。在線性傳動與組裝技術方面,力士樂把兩種技術之優點融合,滿足了客戶不同的要求。此外,其氣動元件跟電動氣壓零件相配合,令元件及系統發揮得全面。REXROTH導軌主要分為:滾珠和滾柱兩個系列!

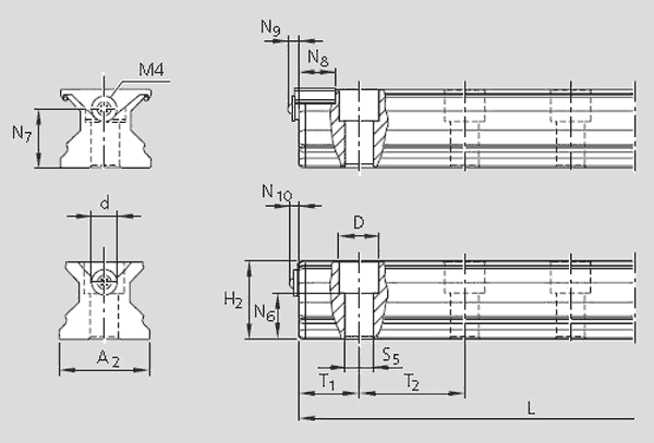
| A2 | 53 | |
| D | 24 | |
| H21) | 47.85 | |
| Lmax2) | 4000 | |
| N6±0.5 |
28.7 |
|
| N73) | 14.0 | |
| N8 | 17 | |
| N9 | 3.2 | |
| S5 | 16 | |
| T1 min |
20 |
|
| T1s4) | 28.00 | |
| T2 | 60.0 | |
| 重量 | 13.1 |
1)H2為防護帶尺寸。
規格25帶0.2mm厚防護帶
規格35至65帶0.3mm厚防護帶
2)精度等級H和P,規格35至65的導軌在特殊情況下,也可供貨長約為6000mm的單段導軌。
精度等級SP的導軌訂貨請詢問。精度等級GP的導軌*大長度為4000mm。
3)尺寸N7帶防護帶
4)首選尺寸T1s,公差+0.5/-1.0

機床、木工機械、激光切割等