博世力士樂滾珠絲杠傳動系統為設計者提供多種方案來實現傳送和定位任務,可以采用軸驅動也可以采用螺母驅動。無論是高線速度、大額定載荷還是最短結構長度,您總能找到解決方案。優勢:1,優化的滾道滾珠提升實現了*靜音運行,。2,基于整體內部循環原理,性能穩定,。3,數量滾珠實現了負載能力,。4,150000的D x n參數支持動態應用,有效密封,螺母快捷安裝。5,庫存充裕,快速交貨
.gif)
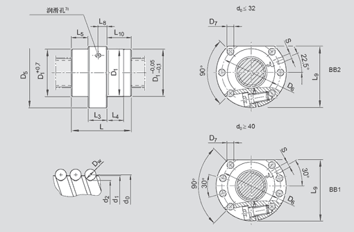
| d1 | 15.0 | |
| d2 | 12.9 | |
| D1 /f6 | 28 | |
| D5 | 48 | |
| 孔圖 | BB2 | |
| D6 | 38 | |
| D7 | 5.5 | |
| L | 38 | |
| L3 | 15 | |
| L4 | 10 | |
| L5 | 11.5 | |
| L8 | 7.1 | |
| L9 | 44.0 | |
| L10 | 11.5 | |
| S 3) | M6 | |
| 重量(KG) | 0.20 | |
| 額定動載C(N) | 12300 | |
| 額定靜載C0 | 16100 | |
| 速度1)Vmax(m/min) | 30 | |
| 調整后的定位軸頸直徑D1*小(mm) | 27.940 | |
| 調整后的定位軸頸直徑D1*大(mm) | 27.975 |

機床、木工機械、激光切割等