滾珠導軌滑塊
.gif)
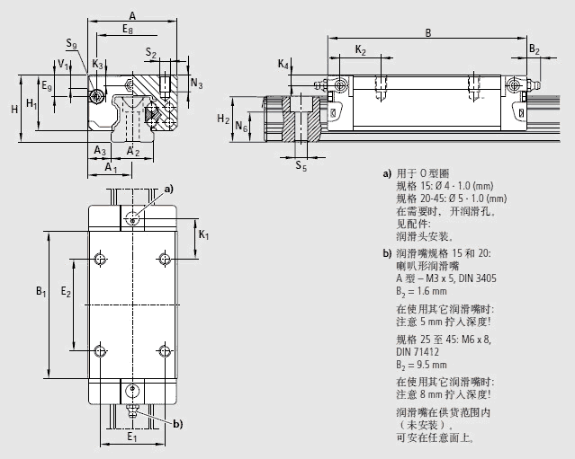
| A | 44 | |
| A1 | 22 | |
| A2 | 20 | |
| A3 | 12.0 | |
| B | 91.0 | |
| B1 | 65.6 | |
| E1 | 32 | |
| E2 | 50 | |
| E8 | 32.50 | |
| E9 | 7.30 | |
| H | 30 | |
| H1 | 25.35 | |
| H21) | 20.75 | |
| H22) | 20.55 | |
| K1 | 14.80 | |
| K2 | 14.80 | |
| K3 | 3.35 | |
| K4 | 3.35 | |
| N3 | 7.5 | |
| N6±0.5 |
13.2 |
|
| S2 | M5 | |
| S5 | 6.0 | |
| S9 |
M3*5 |
|
| T | 60 | |
| V1 | 6.0 | |
| 重量 | 0.45 | |
| 額定載荷C3) | 24 400 | |
| 額定載荷 C03) | 35 200 | |
| 額定轉矩 Mt3) | 310 | |
| 額定轉矩 Mto3) | 450 | |
| 額定轉矩 ML3) | 225 | ![]() |
| 額定轉矩 ML03) | 330 | ![]() |
1)尺寸H2帶防護帶
2)尺寸H2不帶防護帶
3)不帶滾珠鏈的滾珠滑塊的額定載荷和轉矩。
額定載荷和額定動轉矩是以100,000米行程為基礎確定的(根據ISO 14728-1),但實際中經常是以50,000米行程為基礎。
在此情 況下,表格中的C、Mt、和ML的值乘以1.26。

機床、木工機械、激光切割等