滾子鏈是一種用于傳送機械動力鏈條,廣泛應用與家庭、工業和農業機械,其中包括輸送機、繪圖機、印刷機、汽車、摩托車、以及自行車。它由一系列短圓柱滾子鏈接在一起,由一個稱為鏈輪的齒輪驅動。這是一個簡單,可靠,高效的動力傳遞裝置。

| 傳動比i | 9.25 | |
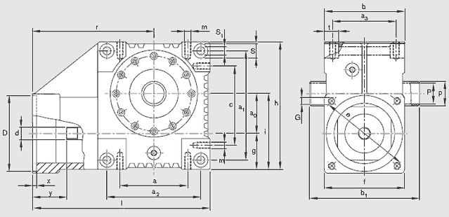
| 中心距 | 63±0.2 | |
| 電機 | MSK 076 | |
| a | 110 | |
| a1 | 175 | |
| a2 | 145 | |
| a3 | 105 | |
| b | 130 | |
| b1 | 168 | |
| c | 125 | |
| d h8 | 24.7 | |
| D G7 | 110 | |
| e | 165 | |
| f | 140 | |
| g | 52 | |
| G | M10 | |
| h | 195 | |
| i | 115 | |
| l | 270 | |
| m | M10*15 | |
| p H6 | 36 | |
| P h8 | 28 | |
| r | 185 | |
| S | 18 | |
| S1 | 11 | |
| t | 25 | |
| x | 5 | |
| y | 53 | |
| Jge(10-4kgm2 | 0.9825 | |
| 重量 kg | 12.0 |

機床、木工機械、激光切割等