博世力士樂的傳動球座實現對負載的輕松推動、旋轉和操控。作為輸送機和給料系統、機加工設備和包裝線的重要模塊,其已經得到充分的試驗和測試。優勢:1,進給速率高達2米/秒。2,所有款式具有同樣的高品質。3,高效,運行順暢。4,在滿載下精確滾動。5,易于組裝和拆除

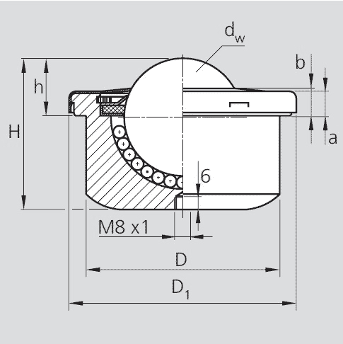
| dw | 60 | |
| D | 100±0.11 | |
| D1 | 117 | |
| h | 29.5±0.2 | |
| h1 | 77.5 | |
| a | 13 | |
| b | 14.5 | |
| 載荷(N) | 13000 | |
| 重量:(KG) | 3.5 |

機床、木工機械、激光切割等