語言
開關閥
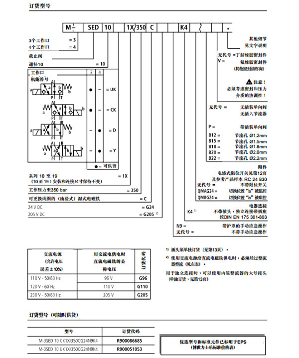
2位4通截止式電磁方向閥M3SED6特征:
-直動式電磁方向截止閥
-安裝面按DIN24340 A型,不帶定位銷孔(標準型)
-無泄漏
-即使長期處于高壓狀態,仍確保切換靈活
-可*換線圈的濕式直流電磁鐵(交流電壓整流后可使用)
-電磁鐵線圈可轉過90°
-*換線圈時,無需打開耐壓腔
-獨立電氣連接
-可選擇帶護罩的應急手動操作
-電感式限位開關(有觸電或無觸點),可選
2位4通截止式電磁方向閥M3SED6.pdf
機床、木工機械、激光切割等
請輸入您的郵箱,我們將會使用hualin056@126.com郵箱發送給您文檔的下載地址
添加微信