語言
滾子鏈是一種用于傳送機械動力鏈條,廣泛應用與家庭、工業和農業機械,其中包括輸送機、繪圖機、印刷機、汽車、摩托車、以及自行車。它由一系列短圓柱滾子鏈接在一起,由一個稱為鏈輪的齒輪驅動。這是一個簡單,可靠,高效的動力傳遞裝置。
6133,103,,1,0,0,0,,,,
6134,103,,1,0,0,0,,,,
6135,103,,1,0,0,0,,,,
6136,103,,1,0,0,0,,,,"
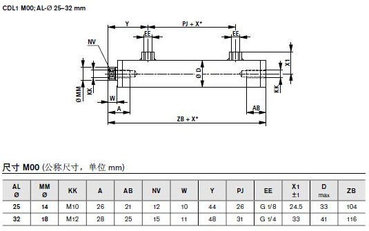
M00安裝方式重載型液壓缸,CDL1系列.pdf
機床、木工機械、激光切割等
請輸入您的郵箱,我們將會使用hualin056@126.com郵箱發送給您文檔的下載地址
添加微信