語言
電氣配件和電液系統
HEDE帶信號模擬輸出的電氣壓力轉換器特點:
-通過EMC性能,還可在惡劣電磁環境中使用此壓力轉換器
-陶瓷/電容傳感器
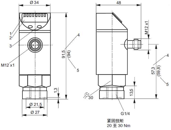
-外殼上帶有4針M12插頭的連接電纜
-精確度等級1.0
-連接螺紋G1/4
-與介質接觸的部件由不銹鋼,陶瓷和FKM制成
-緊湊設計
-一個轉換輸出和一個模擬信號輸出
1 狀態指示燈
2 4位字母數字混合編制顯示
3 編程按鈕
4 壓力級100bar和250bar的尺寸
5 壓力級400bar和600bar的尺寸
HEDE帶信號模擬輸出的電氣壓力轉換器.pdf
機床、木工機械、激光切割等
請輸入您的郵箱,我們將會使用hualin056@126.com郵箱發送給您文檔的下載地址
添加微信