BSCL導軌滑塊|力士樂三代導軌滑塊-新的滾珠導軌導向系統 BSCL 補充了現有的直線導向系統的供貨品種。BSCL 滾珠導軌有六個尺寸、六種滑塊類型、三個預緊等級和三個精度等級 N、H、P。對于該系列產品、同樣規格的導軌和滑塊具互換性、并且可在極短的時間內在全球范圍內供貨。BSCL 直線導向系統的特點:可以用簡單的工具將導軌截短到所需的長度、而不需要復雜的端面加工。

| R205A71320 | 30 |
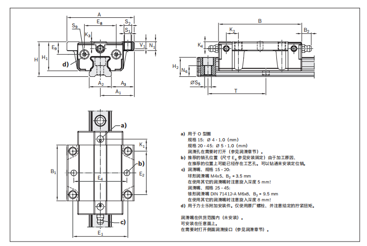
| A | 90 |
| A1 | 45 |
| A2 | 28 |
| A3 | 31 |
| B+0.5 | 97.7 |
| B1 | 67.4 |
| E1 | 72 |
| E2 | 52 |
| E8 | 42 |
| E9 | 14.25 |
| H | 42 |
| H1 | 35.35 |
| H2 | 23 |
| K1 | 14.0 |
| K2 | 14.7 |
| K3 | 7.25 |
| K4 | 7.25 |
| N1 | 11.0 |
| N6 ±0.5 | 12.0 |
| S1 | 8.5 |
| S2 | M10 |
| S5 | 9.0 |
| S9 | M3x6.5 |
| T | 80.0 |
| V1 | 7.0 |
| 質量 (kg) | 1.01 |


機床、木工機械、激光切割等